BDM-VIII 防爆电缆夹紧密封接头
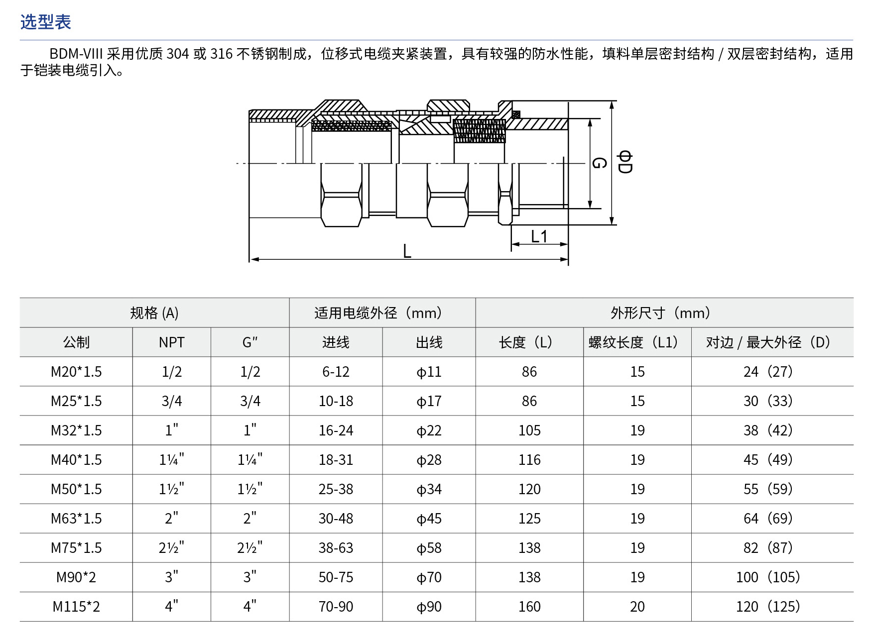
概述:BDM-VIII采用优质304或316不锈钢制成,位移式电缆夹紧装置,具有较强的防水性能,填料单层密封结构/双层密封结构,适用于铠装电缆引入。
品牌:衡通科技
服务热线:0577-6189 8868
公司传真:0577-6189 8868
公司地址:浙江省乐清市柳市镇方斗岩工业区
BDM-VIII 防爆电缆夹紧密封接头
概述:BDM-VIII采用优质304或316不锈钢制成,位移式电缆夹紧装置,具有较强的防水性能,填料单层密封结构/双层密封结构,适用于铠装电缆引入。
品牌:衡通科技
服务热线:0577-6189 8868
公司传真:0577-6189 8868
公司地址:浙江省乐清市柳市镇方斗岩工业区
